Plant architectural layout

Wastewater treatment systems and MEP engineering

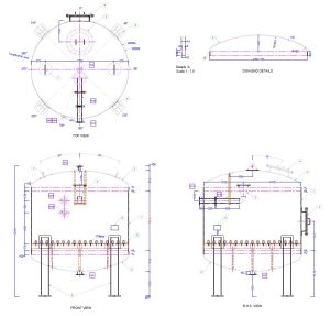
My experience involves working on several Industrial Wastewater management systems (ETP) for different industries, and also Drinking-water Plants and Sewage Treatment Plants. My responsibilities in these projects ranges among initial site survey; sample testing and analysis; detailed design and documentation (e.g. Plant’s architectural design and 3D modeling, piping system design, relevant PFD and P&ID); collaboration with client, structural engineers and project managers; project work supervision; ensuring compliance with environmental regulations (DoE, EIA, EMP) and relevant standards in each step. ETP projects that I have taken part are from diversified leading industry sectors including bicycle, ready-made garments, pharmaceutical and paper industry.
I have engaged in projects regarding MEP engineering and consultation and performed detailed fabrication drawing of components (e.g. pressure vessel) and supervise the erection works.

Equipment energy audit and optimisation

I have undertaken comprehensive equipment energy audit for natural gas fired captive power and industry boiler by means of detailed flue gas analysis in industries such as, Abdul Monem Ltd. Beverage (official bottler of Coca-Cola company), Pran-RFL, Kazi Farms Ltd. etc. Which involves Identifying energy efficiency improvements and optimisation strategies to enhance performance and reduce operational costs.

Pump house 3D modelling

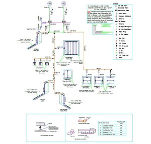
Water network modeling and assessment

I have completed projects relating to water supply solution and water network modelling for industrial zone. One notable example is complete solution for water supply and internal distribution of 26 MLD process water in Bashundhara Industrial Economic Zone Ltd - BIEZL for Bangladesh Economic Zone Authority - BEZA. I have also participated in project of fire-fighting water network assessment and fire safety management.